Consejo OZmap - Visualización de las fibras
	 	
			
			Imprimir
 		
	
	
	Fecha de modificación: Vie., 14 Abr., 2023 a las 12:39 P. M.
	
	
	
		Las fibras de los cables se pueden ver desde el interior de la caja, pero ¿sabía que pueden identificar mucha información diferente? En el consejo de hoy, abordaremos la visualización de fibras en OZmap. 
 
  | 
Para empezar, vamos a abrir un recuadro para mostrar con más detalle las fibras en el cable, y en ese momento la primera información que tenemos en la visualización de las fibras es la visualización por números. Se puede cambiar desde el primer icono de la izquierda, que permite elegir entre Número, Dirección y Leads. 
 
  | 
Al elegir por números, se numera la “bola” de cada fibra. Para indicar que tiene señal, la bola está completamente llena, de lo contrario estará vacía, lo que indica que la fibra no está recibiendo potencia. 
 
  | 
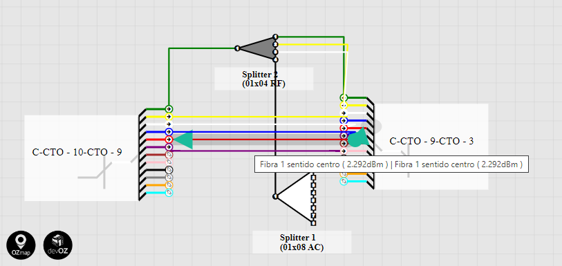
Al seleccionar la opción por sentido, se mostrará el sentido por el que viene la señal de fibra. Esta opción nos ayuda a identificar qué lado iluminar y también a calcular el OTDR. Para obtener más información sobre OTDR, haga clic  aquí . 
 
  | 
Y por último, a la hora de elegir las derivaciones se indicará si la señal sale directamente de la PON o si ya ha sido bifurcada antes, es decir, ya ha pasado por un bifurcador antes de llegar a la fibra. Si la señal ya ha sido dividida, la fibra se representará con una “X” (1), en caso contrario se representará con un guión (2). 
  | 
Como podemos ver en el ejemplo a continuación, las fibras que están conectadas directamente a un puerto PON tienen un ícono de guión, mientras que cuando la fibra pasa a través de un divisor, el ícono cambia. 
 
  | 
También es posible cambiar el nombre de cada fibra, yendo a las propiedades del elemento para una mejor identificación y organización de las conexiones dentro de la caja. 
 
  | 
Esto se puede hacer dentro de un solo cuadro o bien es posible cambiar el nombre de toda la longitud de la fibra, utilizando la herramienta Fibra Inicio/Fin, insertando el nombre deseado y haciendo clic en "Propagar" justo después. Así, al pasar el ratón sobre la fibra, aparecerá el nombre colocado. 
 
  | 
Este será el nombre de la fibra después de la propagación:
  | 
	
	
	
		
		
										¿Le resultó útil?
								Sí
								No
Enviar comentarios	Lamentamos no haberle podido ayudar más. Sus comentarios nos ayudarían a mejorar este artículo.