Dica OZmap - Visualizando as fibras
Imprimir
Modificado em: Ter, 21 Mar, 2023 na (o) 11:47 AM
As fibras dos cabos podem ser visualizadas de dentro da caixa, mas você sabia que elas podem indicar diversas informações diferentes? Na dica de hoje iremos abordar sobre as visualizações de fibra no OZmap. |
Para começar, vamos abrir uma caixa para mostrar com mais detalhes as fibras do cabo, e, nesse momento, a primeira informação que temos na visualização das fibras, é a visualização por números. Ela pode ser alterada no primeiro ícone à esquerda, que te permite escolher entre Número, Sentido e Derivações. |
Ao escolher por número, a “bolinha” de cada fibra é numerada. Para indicar que ela possui sinal, a bolinha fica completamente preenchida, caso contrário ficará vazia, indicando que a fibra não está recebendo sinal. |
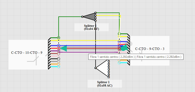
Ao selecionar a opção por direção, será mostrado o sentido em que está vindo o sinal da fibra. Essa opção ajuda para identificarmos qual lado iluminar e também para calcular o OTDR. Para saber mais sobre o OTDR, clique aqui. |
E por fim, ao escolher as derivações, será indicado se o sinal está saindo direto da PON ou se já foi splitado antes, ou seja, já passou por algum splitter antes de chegar na fibra. Caso o sinal já tenha sido splitado, a fibra será representada com um “X” (1), caso contrário será representada com um traço (2). |
Como podemos observar no exemplo abaixo, as fibras que estão conectadas diretamente a uma porta PON estão com o ícone de traço, já quando a fibra passa por um splitter o ícone é alterado. |
É possível também alterar o nome de cada fibra, indo nas propriedades do elemento para uma melhor identificação e organização das conexões dentro da caixa. |
Isso pode ser feito dentro de apenas uma caixa ou então é possível renomear toda a extensão da fibra, utilizando a ferramenta Início/Fim de fibra, inserindo o nome desejado e clicando em “Propagar” logo em seguida. Assim, ao passar o mouse sobre a fibra, aparecerá o nome colocado. |
Assim ficará o nome da fibra depois de propagada: |
Isso foi útil para você?
Sim
Não
Enviar feedback Lamentamos não termos conseguido ajudá-lo(a) mais. Ajude-nos a melhorar este artigo com o seu feedback.